Mâm cặp HC
Standard 3-Jaw Closed-Center Chuck
Application / Customer's Benefit
Standard 3-jaw wedge-style closed-center power chuck
Technical features
Gripping force transmisstion by wedge structure
Hardening treatment to assure greatest precision and longer chuck life
Biểu đồ lực kẹp động


Thông số


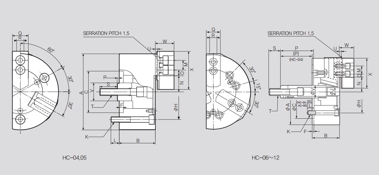
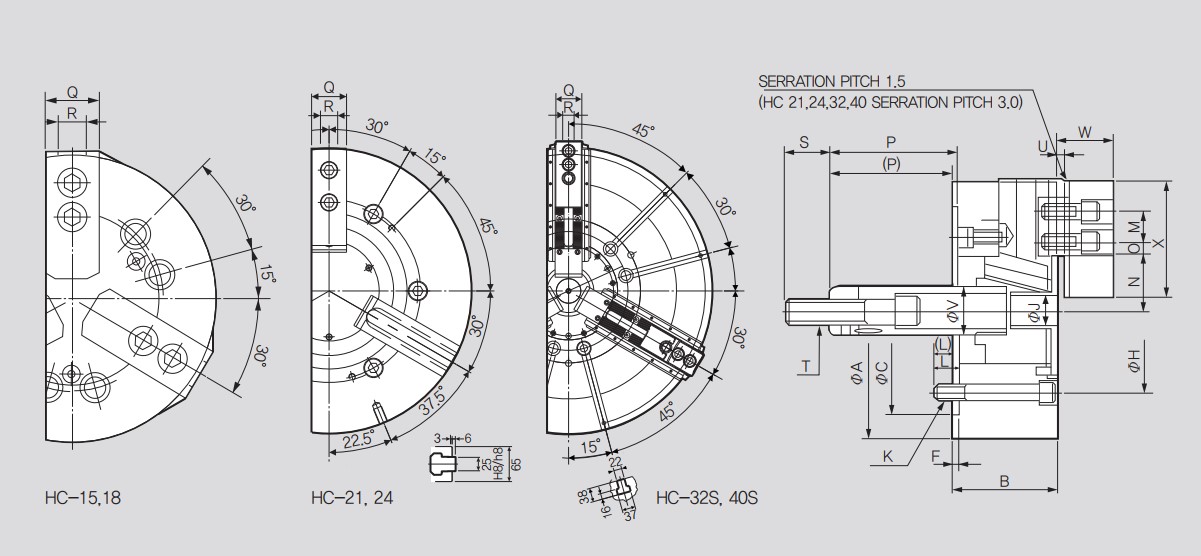
Kích thước




